content="18/11/2025″/> Diepteschuifmaat, digitaal, 500x160 mm, 0.01 mm

Diepteschuifmaat, digitaal, 500x160 mm, 0.01 mm

met verwisselbare meetpunten

Diepteschuifmaat, digitaal, 500x160 mm, 0.01 mm
€ 690.00 445.00 *Prijzen zijn exclusief btw
Artikelcode218.017
0 ster(ren) met 0 review(s) Schrijf een review
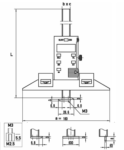
  • met verwisselbare meetpunten, als haak, dubbele haak, naaldpunt en maat. schijf
  • met bevestigingsinrichting voor verwijderbare meetvoet
  • bereik: 500 mm
  • aflezing 0,01 mm of 0,0005“
  • basis a: 160 mm
  • b= 15 mm, c= 6 mm
  • roestvrij staal, gehard en geaard
  • display met aan/uit/nul, tol, hold, set, abs en mm/inch knop
  • met RS232 C data-uitgang (RB4)
  • voeding: batterij 1,5 V-LR 44
  • in koffer/doos
Optie en accessoires
  • kalibratiecertificaat VDI/VDE/DCGQ 2618/8 DIN 862 (DAkkS) Kali.114
  • beweegbare verlengvoet 300 of 500 mm (218.018 of 218.019)
  • USB-interface incl. software (220.250.2)
  • kabel voor aansluiting RB4 met de USB-interface (220.253)
  • voetschakelaar voor USB-interface (220.255)
Ontvang de juiste deals voor uw locatie; Selecteer uw land