content="18/11/2025″/> Digitaal micrometer voor buis 2 bolvormig oppervlak 0~25 mm

Digitaal micrometer voor buis 2 bolvormig oppervlak 0~25 mm

Digitaal micrometer voor buis 2 bolvormig oppervlak 0~25 mm
Digitaal micrometer voor buis 2 bolvormig oppervlak 0~25 mm
€ 298.00 192.00 *Prijzen zijn exclusief btw
Artikelcode302.155.C
0 ster(ren) met 0 review(s) Schrijf een review
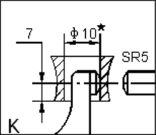
  • 2 bolvormig oppervlakken SR5
  • meetgebied: 0~25 mm
  • aflezing: 0.001 mm
  • nauwkeurigheid: 0.004 mm
  • functies: On/Off, ABS/INC & SET
  • 1 omwenteling van de trommel = 0.5 mm
  • roterende spindel Ø 6.5 mm
  • gelakte beugel en mat verchroomde meettrommel
  • vaststelschroef
  • ratel
  • met data uitgang RB4.1
  • stroomvoorziening: 1 batterij 1,5 V LR 44
  • geleverd in doos met aanpassingssleutel
Optie & accessoire
  • kalibratiecertificaat VDI/VDE/DGQ 2618 door een DAkkS geaccrediteerd laboratorium
  • USB-interface met programma en kabel (220.272)
Ontvang de juiste deals voor uw locatie; Selecteer uw land