content="18/11/2025″/> Digital micrometer for tube 2 spherical faces 0~25 mm

Digital micrometer for tube 2 spherical faces 0~25 mm

Digital micrometer for tube 2 spherical faces 0~25 mm
Digital micrometer for tube 2 spherical faces 0~25 mm
€ 298.00 192.00 *Prices are exclusive of VAT
Article code302.155.C
0 star(s) in 0 review(s) Write a review
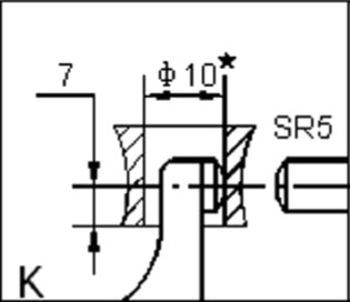
  • 2 spherical faces SR5
  • measuring range: 0~25 mm
  • resolution: 0.001 mm
  • accuracy: 0.004 mm
  • 1 revolution of the thimble = 0.5 mm
  • rotating spindle Ø 6.5 mm
  • functions: On/Off, ABS/INC & SET
  • frame coated, thimble chrome finished
  • locking lever
  • ratchet thimble
  • thermally insulated
  • data output RB4.1
  • power supply: 1 battery 1.5 V LR 44
  • delivered in case/box with adjustment key

Option & accessoire
  • calibration certificate VDI/VDE/DGQ 2618 from a DAkkS' labo
  • USB interface with program and connection cable for RB4.1 (220.272

Get the best deals for your location; Select your country