content="18/11/2025″/> Micrometer voor buis 2 bolvormig oppervlakken 0~25 mm

Micrometer voor buis 2 bolvormig oppervlakken 0~25 mm

Micrometer voor buis 2 bolvormig oppervlakken 0~25 mm
Micrometer voor buis 2 bolvormig oppervlakken 0~25 mm
€ 61.50 40.00 *Prijzen zijn exclusief btw
Artikelcode309.046
0 ster(ren) met 0 review(s) Schrijf een review
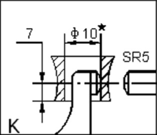
  • 2 bolvormig oppervlakken SR5
  • meetgebied: 0~25 mm
  • aflezing: 0.01 mm
  • nauwkeurigheid: 0.004 mm
  • 1 omwenteling van de trommel = 0.5 mm
  • roterende spindel Ø 6.5 mm
  • gelakte beugel en mat verchroomde meettrommel
  • vaststelschroef
  • ratel
  • gelakte beugel met isolatiegreep
  • geleverd in doos met aanpassingssleutel
Optie & accessoire
  • kalibratiecertificaat VDI/VDE/DGQ 2618 door een DAkkS geaccrediteerd laboratorium
Ontvang de juiste deals voor uw locatie; Selecteer uw land