content="18/11/2025″/> Micrometer for tube 2 spherical faces 0~25 mm

Micrometer for tube 2 spherical faces 0~25 mm

Micrometer for tube 2 spherical faces 0~25 mm
Micrometer for tube 2 spherical faces 0~25 mm
€ 61.50 40.00 *Prices are exclusive of VAT
Article code309.046
0 star(s) in 0 review(s) Write a review
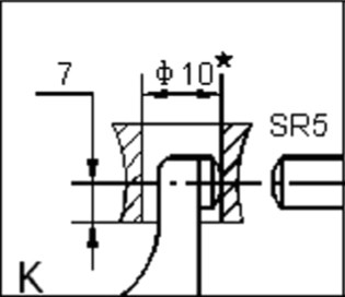
  • 2 spherical faces SR5
  • measuring range: 0~25 mm
  • resolution: 0.01 mm
  • accuracy: 0.004 mm
  • 1 revolution of the thimble = 0.5 mm
  • rotating spindle Ø 6.5 mm
  • frame coated, thimble chrome finished
  • locking lever
  • ratchet thimble
  • thermally insulated
  • delivered in case/box with adjustment key

Option & accessoire
  • calibration certificate VDI/VDE/DGQ 2618 from a DAkkS' labo

Get the best deals for your location; Select your country