content="18/11/2025″/> Pied de profondeur, digital, DIN 862, 500x160 mm, 0.01 mm

Pied de profondeur, digital, DIN 862, 500x160 mm, 0.01 mm

avec pointes de mesure interchangeables

Pied de profondeur, digital, DIN 862, 500x160 mm, 0.01 mm
€ 690.00 445.00 *Les prix sont hors TVA
Code article218.017
0 étoile(s) sur 0 avis Donnez votre avis
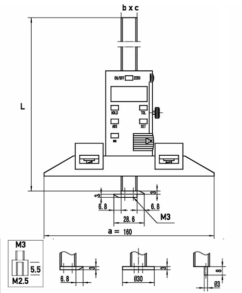
  • avec pointes de mesure interchangeables, comme crochet, double crochet, pointe d'aiguille et meas. disque
  • avec dispositif de fixation pour base de mesure amovible
  • portée : 500 mm
  • lecture 0,01 mm ou 0,0005"
  • base a : 160 mm
  • b= 15 mm, c= 6 mm
  • acier inoxydable, trempé et rectifié
  • affichage avec marche/arrêt/zéro, tol, hold, set, abs et bouton mm/inch
  • avec sortie de données RS232 C (RB4)
  • alimentation: pile 1,5 V-LR 44
  • en étui/boîte
Options et accessoires
  • certificat d'étalonnage VDI/VDE/DCGQ 2618/8 DIN 862 (DAkkS) Kali.114
  • base d'extension mobile 300 ou 500 mm (218.018 ou 218.019)
  • Interface USB incl. logiciel (220.250.2)
  • câble pour la connexion RB4 avec l'interface USB (220.253)
  • pédale pour interface USB (220.255)
Obtenez les meilleures offres pour votre emplacement; Sélectionnez votre pays