content="18/11/2025″/> Micromètre à faces de mesure étagées 25~50 mm

Micromètre à faces de mesure étagées 25~50 mm

Micromètre à faces de mesure étagées 25~50 mm
€ 116.00 75.00 *Les prix sont hors TVA
Code article307.012
0 étoile(s) sur 0 avis Donnez votre avis
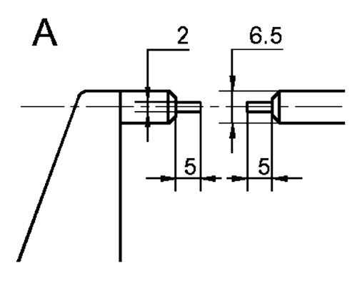
  • avec faces de mesure en carbure Ø 2 x 5 mm
  • gamme de mesure: 25~50 mm
  • résolution de la lecture: 0.01 mm
  • précision: 0,005 mm
  • 1 rotation du tambour: 0.5 mm
  • broche tournante Ø 6,5 mm
  • cadre peint, échelle chromée matte
  • embrayage à rochet
  • livré en coffret avec clé d'ajustage & calibre de réglage

Option & accessoire
  • certificat de calibrage VDI/VDE/DGQ 2618 par labo DAkkS
Obtenez les meilleures offres pour votre emplacement; Sélectionnez votre pays